본문 바로가기
CONTACT US|ENGLISH

유압툴 & 시스템

단동실린더 - ESR 시리즈

  • 적용 가능 제품

    · 용량 : 5 -300 ton

    · 스트로크 : 50-250 mm

    · 최대압력 : 700 bar

    · 단동식 & 스프링 리턴 타입

    · 커플러 포트 : PT 3/8

    · 완전한 힘을 유지하도록 설계된 칼라

    · 부식에 강한 피스톤 적용

    · 견고한 플런저 및 새들 적용

    · 틸팅 새들 적용 가능(옵션)

    · 핸들 적용 가능(옵션)

    · 기타 사이즈 제작 가능

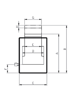
모델 번호 용량 (ton) 스트로크 (mm) 오일 용량 (cc) 유효 면적
(cm2)
기본 높이
A (mm)
연장 높이
B (mm)
외경 C (mm) 내경 D (mm) 로드직경
E (mm)
포트~바닥면
F (mm)
새들 직경
G (mm)
새들 높이
H (mm)
무게 (kg)
ESR-550 5 50 36 7.1 144 194 50 30 23 20 34 15 1.4
ESR-5100 5 100 71 7.1 194 294 50 30 23 20 34 15 2.1
ESR-5150 5 150 107 7.1 244 394 50 30 23 20 34 15 2.7
ESR-1050 10 50 80 15.9 147 197 63 45 38 20 49 15 3.2
ESR-10100 10 100 159 15.9 197 297 63 45 38 20 49 15 3.8
ESR-10150 10 150 239 15.9 247 397 63 45 38 20 49 15 4.5
ESR-10200 10 200 318 15.9 297 497 63 45 38 20 49 15 5.1
ESR-2050 20 50 166 33.2 150 200 88 65 58 20 68 15 5.7
ESR-20100 20 100 332 33.2 222 322 88 65 58 30 68 15 8.4
ESR-20150 20 150 498 33.2 272 422 88 65 58 30 68 15 11.3
ESR-20200 20 200 664 33.2 322 522 88 65 58 30 68 15 14.2
ESR-3050 30 50 221 44.2 172 222 106 75 68 30 78 15 8
ESR-30100 30 100 442 44.2 222 322 106 75 68 30 78 15 11.8
ESR-30150 30 150 663 44.2 272 422 106 75 68 30 78 15 15.6
ESR-30200 30 200 884 44.2 322 522 106 75 68 30 78 15 19.4
ESR-5050 50 50 354 70.8 190 240 128 95 85 30 98 22 19
ESR-50100 50 100 708 70.8 240 340 128 95 85 30 98 22 22.7
ESR-50150 50 150 1062 70.8 290 440 128 95 85 30 98 22 26.4
ESR-50200 50 200 1416 70.8 340 540 128 95 85 30 98 22 30.1
ESR-50250 50 250 1770 70.8 390 640 128 95 85 30 98 22 33.8
ESR-10050 100 50 716 143.1 222 272 185 135 105 42 118 25 45
ESR-100100 100 100 1431 143.1 272 372 185 135 105 42 118 25 54
ESR-100150 100 150 2147 143.1 322 472 185 135 105 42 118 25 63
ESR-100200 100 200 2862 143.1 372 572 185 135 105 42 118 25 72
ESR-100250 100 250 3578 143.1 422 672 185 135 v105 42 118 25 81
    
개인정보취급방침|이용약관|이메일무단수집거부

회사명 : 한국유수압| 브랜드명 : ENPOS| 대표자 : 설철수| 본사 & 공장 : 부산광역시 강서구 녹산산단 289로 37 (송정동)| 전화번호 : 051-832-1100| 팩스 : 051-832-1110| E-mail : enpos@enpos.co.kr

© 2013 by KOREA HYDRAULIC CO. All Rights Reserved.